en la radio me viene un fusible de 15A si mal no recuerdo.
luego en el coche vienen los cables ke terminan en dos clavijas (dos conectores vamos) y en uno van los altavoces y en otro las korrientes y eso.
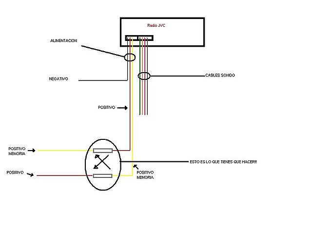
lo que hay que cambiar son dos cables de las corrientes, el amarillo por el rojo, pero esque amarillo no hay.
es un amarillo con verde.
no obstante estoy barajando la posibilidad de comprar en la citroen un conector que he leido por ahi buskando en otros post que vale unos 5 euros y hace esa funcion del change del cable... nose si me explico.
Escrito originalmente por AlbertoC3-1.4Hdi
De que clavija quieres sacar los cables??? lo digo porque normalmente en las radios de ahora te vienen dos fusibles aereos...